Барабанная зубчатая муфта типа RSK-WGZ с тормозным колесом, обычно используемая в колодочных тормозах
Зубчатая муфта представляет собой механический соединитель с высоким крутящим моментом для неколлинеарных валов, в котором используются внутренние/внешние зубья шестерни во втулках для передачи мощности, компенсируя при этом угловое, радиальное и осевое смещение, что делает ее идеальной для тяжелого промышленного применения, такого как сталелитейные заводы, насосы и конвейеры, где высокая удельная мощность и надежность имеют решающее значение, хотя для долговечности она требует надлежащей смазки и технического обслуживания.
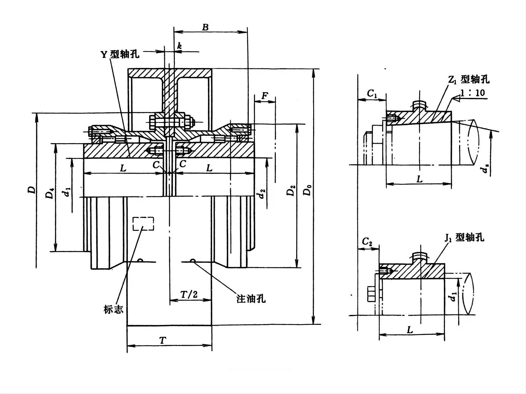
Как это работает
Компоненты: К каждому валу прикреплены две ступицы (с внешними зубьями шестерни), соединенные втулками (с внутренними зубьями шестерни).
Компенсация несоосности: Зубья шестерни допускают перемещение и изгиб, устраняя угловое (из стороны в сторону), радиальное (смещение) и осевое (сквозное) несоосность между валами.
Передача крутящего момента: Плотный поверхностный контакт между корончатыми зубьями шестерни обеспечивает эффективную передачу крутящего момента с исключительной жесткостью на кручение.
Ключевые особенности и преимущества
Высокий крутящий момент: Способен выдерживать нагрузки с очень высоким крутящим моментом.
Компактность: обеспечивает высокое соотношение мощности и веса, подходит для ограниченного пространства.
Надежность: Обеспечивает длительный срок службы при правильной смазке.
Универсальность: доступны в различных конфигурациях (одинарное/двойное зацепление, жесткие/гибкие половины) для различных нужд.
Приложения
Приводы валков (сталелитейная, бумажная промышленность)
Насосы, вентиляторы, конвейеры
Энергетическое оборудование
Техническое обслуживание
Требует периодической смазки (консистентной смазки) для защиты зубьев шестерни.
Правильное выравнивание во время установки имеет решающее значение для надежности и долговечности.

English












