RSK-BHJF Высокостабильные универсальные муфты шарнира равных угловых скоростей для OEM-производителей роликовых прессов
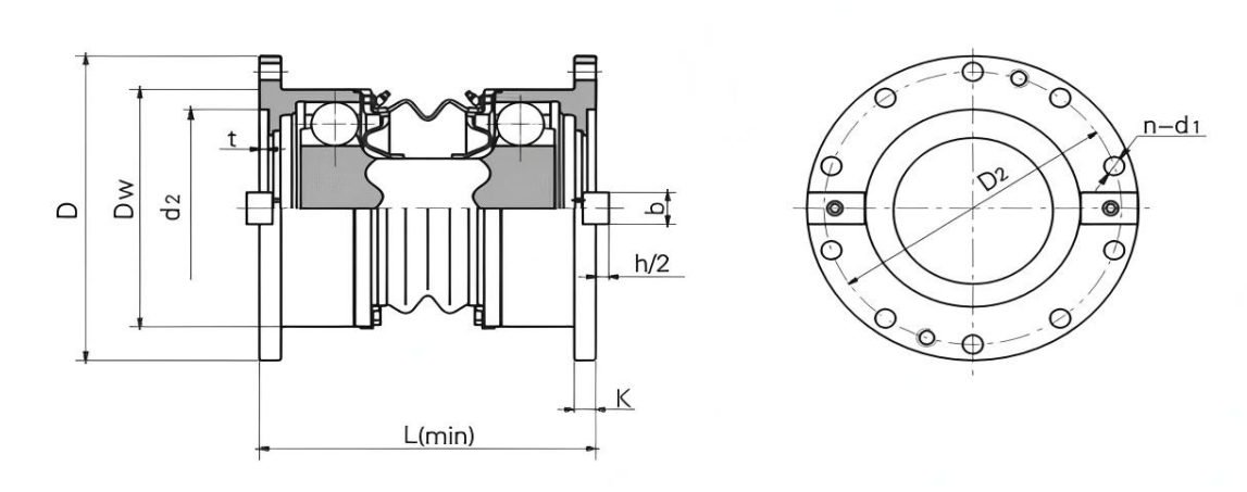
Высокостабильные универсальные муфты ШРУСа — это инновационный ключевой компонент в области промышленных трансмиссий, предназначенный для передачи мощности в сложных условиях работы. Его уникальная конструкция фонарного типа значительно повышает стабильность работы оборудования, обеспечивая при этом передачу большого крутящего момента.
Муфта изготовлена из высокопрочной легированной стали и после прецизионной механической обработки и термообработки обладает превосходной износостойкостью и усталостной стойкостью и может адаптироваться к суровым рабочим условиям. Что касается стабильности, его внутренний механизм синхронизации продуман. Благодаря точной компоновке механической конструкции он гарантирует, что главный и ведомый валы всегда работают синхронно, эффективно снижая вибрацию и шум, вызванные разницей скоростей, и поддерживая плавную работу оборудования даже в условиях высокой нагрузки и высокой скорости.
Его установка и обслуживание просты, а модульная конструкция позволяет быстро устанавливать и заменять его на месте, что значительно сокращает время простоя и затраты на техническое обслуживание.
Будь то тяжелое машиностроение, такое как металлургия и горнодобывающая промышленность, или в отраслях с чрезвычайно высокими требованиями к точности передачи, таких как автоматизированные производственные линии и прецизионные инструменты и оборудование, высокостабильная синхронная универсальная муфта с телескопическим шариковым сепаратором может стать идеальным выбором для обеспечения эффективной и стабильной работы оборудования с его превосходными характеристиками.

English














